SZF型慣性振動熱料輸送機
概述
SZF型慣性振動熱料輸送機適用于輸送各種中等塊度以下的散粒狀物料及水平輸送(<5000c)高溫高磨耗物料,是一種兼有鎖風功能的長距離輸送設備。適合在水泥立窯窯下,做料封出料機。


特點
SZF型慣性振動熱料輸送機主要特點:
(1)SZF型慣性振動熱料輸送機性能穩定、工作可靠起動、停車快且乎穩。
(2)電機振動輸送機全封閉結構,做水平料封出料機時,鎖風效果良好。
(3)輸送距離長,輸送旦大能耗低,噪音小,輸送高溫物料時不用熱態調整。
(4)結構簡單、安裝方便,磨損少,維修工作員小。
(5)SZF型慣性振動熱料輸送機可多點進出料,隔振性能好庫項庫底均可采用。



參數
SZF型慣性振動熱料輸送機技術參數:
1、輸送量:50噸/時 。
2、輸送長度:6—30米。
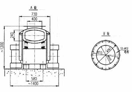
3、整機外型(高×寬):1200×730毫米。
4、機槽寬度:400毫米。
5、設備重量:輸送機每米重量約350公斤。
6、整機功率:慣性振動熱料輸送機輸送長度<10m,為1.5千瓦×2;輸送長度在10m-20m,為2.2千瓦×2;輸送長度在om-30m,為3千瓦×2。


用途
SZF型慣性振動熱料輸送機是一種通用輸送機械,一種理想的新型輸送設備,除用于水泥行業外,還可用于冶金、礦山、化工電力等行業,如:烘干熱礦渣、水泥熟料等。
相關產品
-
GZS慣性振動輸送機
GZS型慣性振動輸送機起動快,在滿載情況下均能正常起動,用于各種粒狀、中等塊度以下的非粘性物料(含水量小于5%),結構簡單,安裝方便。
立即了解?GZS慣性振動輸送機
-
DZS電機振動輸送機
DZS型電機振動輸送機、輸送槽為U形槽和管形兩種。槽底可改為傾斜式,槽可加蓋,可制成一點進料多點排料,成多點進料一點排料一點排料,排料口可為直式、側斜式或下彎式,排料口可設置形式閘門。
立即了解?DZS電機振動輸送機
-
PBS型振動加料系統
PBS型振動加料系統是我公司為鑄造爐前輸送鐵合金加料設備而設計的,該機型可實現行走和給料雙功能,同時可根據用戶要求實現各種工藝布置。
立即了解?PBS型振動加料系統
-
電機振動輸送機
電機振動輸送機的輸送槽為U形槽和管形兩種,槽底可改為傾斜式,槽可加蓋,可制成一點進料多點排料,成多點進料一點排料一點排料,排料口可為直式、側斜式或下彎式,排料口可設置形式閘門。
立即了解?電機振動輸送機
動態
-
20
2021-08
關于電機振動輸送機,這些知識點了解嗎
電機振動輸送機適用于把塊狀、顆粒狀及粉狀物料從貯料倉或漏斗中均勻連續地給到受料裝置中去。電機振動輸送機利用料槽的振動使料槽中的物料從入料口快速輸送到出料口,可以用來輸送塊狀、顆粒狀或粉狀、常溫或高溫的各種物料。
-
21
2021-01
慣性振動輸送機出現故障的原因及解決方法
慣性振動輸送機是一種無牽引構件的連續輸送機械,主要由承載構件、彈性元件及激振器等組成。該振動輸送機起動、停車快且平穩,其輸送距離長,輸送量大,能耗低,噪音小、磨損小,維修工作量小。
-
18
2018-09
慣性振動輸送機的使用要點講解
慣性振動輸送機料槽使用橡膠彈簧或鋼簧支承,依靠固定在料槽上的兩臺振動電機的自同步運轉,使料槽產生直線振動。慣性振動輸送機可制成上振式、下振式和側振式三種形式。
-
26
2018-06
談談電機振動輸送機的安裝與調試方法
電機振動輸送機具有結構簡單、重量輕、噪音低、工作可靠、無粉塵污染、安裝維護方便等優點。廣泛應用于冶金、礦山、煤炭、建材、化工、糧食、玻璃、陶瓷等行業。想要了解更多關于振動輸送機的資訊,請關注永恒振動機械公司網站:http://www.process-technology.cn/
-
23
2014-07
電機振動輸送機如何安裝試呢
電機振動輸送機適用于把塊狀、顆粒狀及粉狀物料從貯料倉或漏斗中均勻連續地給到受料裝置中去, 鏈式提升機具有提升范圍廣、輸送能力大、使用壽命長等特點
熱銷產品
-
DZSF直線振動篩
DZSF系列直線振動篩是由篩箱、篩框、振動電機、減振系統及座架等組成。直線振動篩是用振動電機作為振動源,固定在篩箱上兩臺相同的振動電機做相反方向自同步旋轉,振動電機所帶的偏心塊在旋轉時各個瞬間位置所產生的離心力之分力沿拋擲方向作往復運動
立即了解?DZSF直線振動篩
-
CZ系列倉壁振動器
-
ZG系列慣性振動器
-
GZ系列電磁振動給料機
GZ系列電磁振動給料機在生產流程中,用于把塊狀、顆粒狀、粉狀物料從貯料倉或漏斗中定量、均勻、連續地給到受料裝置中去。
立即了解?GZ系列電磁振動給料機